КТ и ПТ
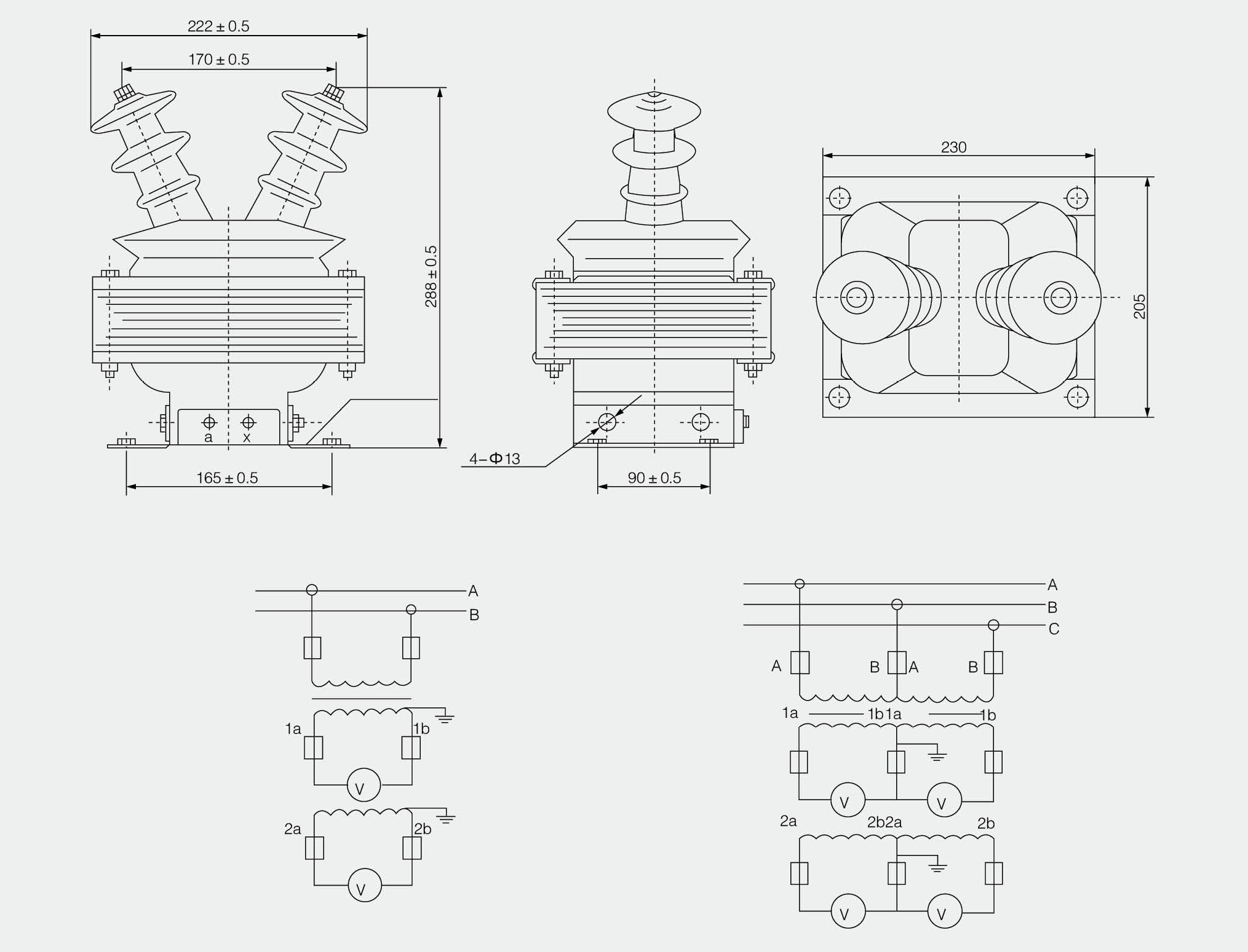
Трансформатор напряжения JDZ3/6/10Q для внутреннего и наружного применения, трехфазный трансформатор напряжения VT PT
Этот трехфазный трансформатор, оснащенный прочной изоляцией и защитным корпусом, подходит для установки в различных средах, включая подстанции, электростанции и промышленные объекты. Его конструкция включает в себя функции, позволяющие противостоять факторам окружающей среды, таким как влага, пыль и колебания температуры, обеспечивая надежную работу и долговечность.
Трансформатор напряжения для внутреннего и наружного применения поддерживает стабильность и эффективность электроэнергетических систем, обеспечивая точное измерение напряжения для целей мониторинга и управления. Его трехфазная конфигурация позволяет осуществлять комплексный контроль напряжения в трехфазных электрических сетях, что делает его незаменимым компонентом в электроэнергетике для обеспечения безопасного и надежного электроснабжения.
English
русский
عربى







